Gilles Marty Schweineproduzent Gilles Marty Frankreich 470 Veröffentlichungen 41 Followers
TwitterLinkedinTelegramTelegram
Gilles MartySchweineproduzent - Frankreich16-Dez-2014
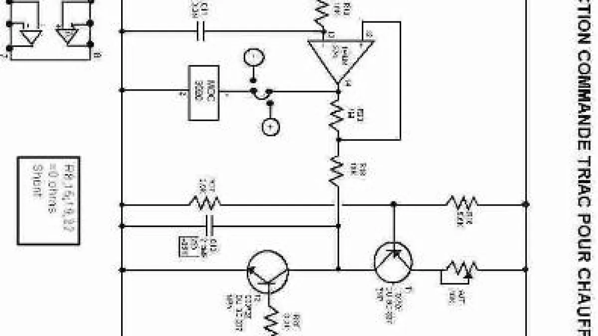
Shéma commande triac
X
XLinkedinWhatsAppTelegramTelegram
Gefällt mirkommentieren
teilen
Meine Favoriten